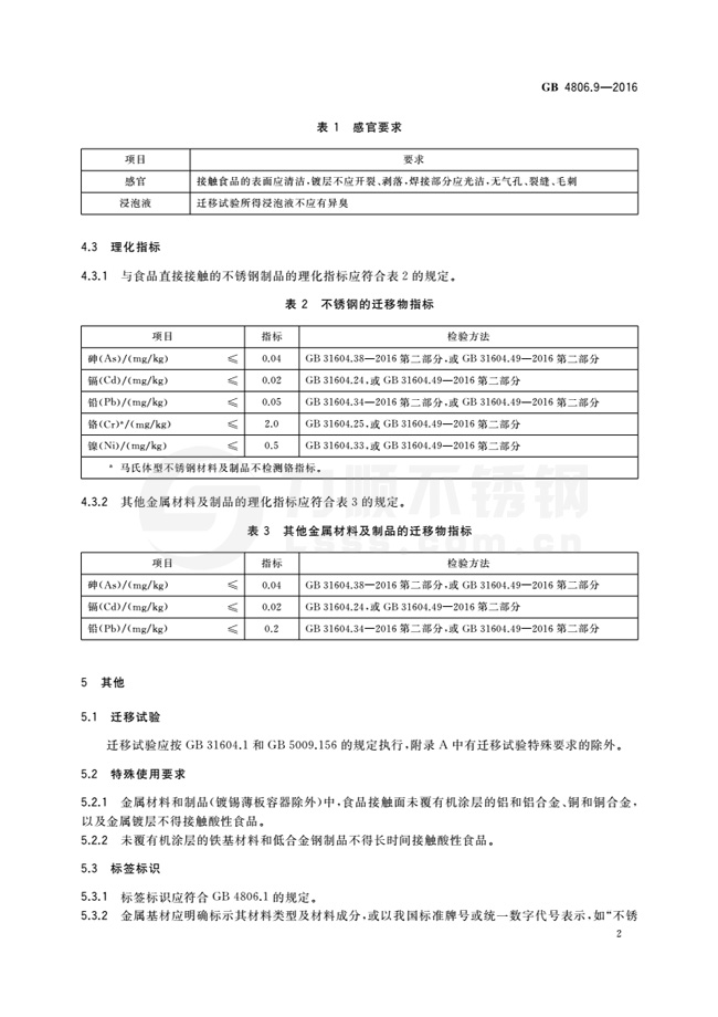
食品用不锈钢应符合国家强制标准GB4806.9-2016《食品安全.国家标准 食品接触用金属材料及制品》,具体内容如下:







食品级不锈钢执行标准正如上文所述,欲了解201、316L、304是不是食品级不锈钢,需按本食品级不锈钢标准从原材料要求、感官要求、理化指标、迁移试验几个方面考量。
【质量与标准相关知识】
FDA
全称是Food and Drug Administration,美国食品和药物管理局的缩写。
GMP
全称是Good Manufacturing Practice,含义是良好生产规范。
世界卫生组织将GMP定义为指导食物、药品、医疗产品生产和质量管理的法规。
CE认证
全称是Communaute Europnne,欧共体的法语缩写。也可视之为:Conformity With European (Demand) 符合欧洲(要求)。
CE标志是一种安全认证标志,被视为制造商打开并进入欧洲市场的护照。CE标志是安全合格标志而非质量合格标志。
在欧盟市场CE标志属强制性认证标志,不论是欧盟内部企业生产的产品,还是其他国家生产的产品,要想在欧盟市场上自由流通,就必须加贴CE标志,以表明产品符合欧盟《技术协调与标准化新方法》指令的基本要求。这是欧盟法律对产品提出的一种强制性要求。
3C认证
全称是China Compulsory Certification,含义是中国强制性产品认证,英文缩写CCC,即所谓3C。
它是中国政府为保护消费者人身安全和国家安全、加强产品质量管理、依照法律法规实施的一种产品合格评定制度。
需注意,3C标志并不是质量标志,它是一种***基础的安全认证。
ISO认证
全称是International Organization for Standardization,是国际标准化组织的简称。
ISO是世界上zui大的国际标准化组织。(出处:https://baike.baidu.com/item/iso%E8%AE%A4%E8%AF%81/996754)
ISO和IEC(国际电工委员会)作为一个整体担负着制订全球协商一致的国际标准的任务。ISO和IEC都是非政府机构,它们制订的标准实质上是自愿性的,这就意味着这些标准必须是优秀的标准,它们会给工业和服务业带来收益,所以他们自觉使用这些标准。
ISO9000不是指一个标准,而是一组标准的统称。ISO9000族标准指由ISO/TC176制定的所有国际标准。
【参考资料】
中华人民共和国食品安全法(全文)
https://www.gov.cn/xinwen/2015-04/25/content_2852919.htm
【扩展阅读】
力顺不锈钢,不锈钢仓储、加工、配送
固话:0510-6689 2161
手机:188 6160 5033
关键词:不锈钢,食品级,标准,食用级
上一篇:2205是什么材质? 下一篇:开云手机在线登录官网_开云(中国)厚度尺寸规格表


